18706168011
文章
文章
搜索
上海神勇线路器材有限公司
您身边的电力线路/光缆金具服务商
首页
关于我们
产品中心
新闻中心
联系我们
1
2
3
首页
>>
产品中心
>>
电力金具
>>
安全备份线夹
产品中心
配套金具
铁路金具
光缆金具
电力金具
详细说明
安全备份线夹
收藏
商品说明
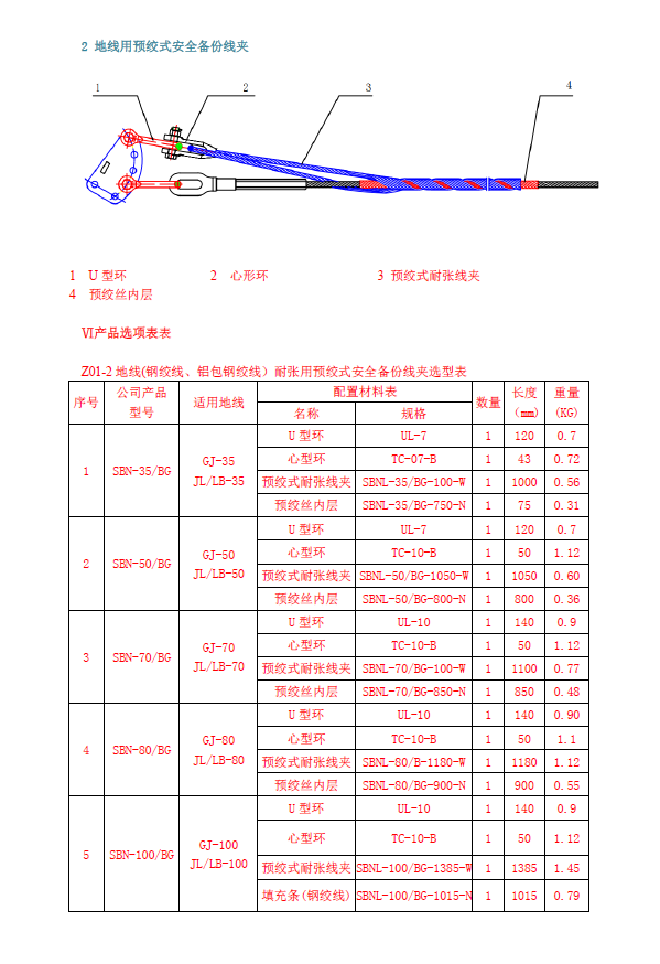
在电力输电线路运行中,时有发生在耐张线夹连接处有断线、过热等现象,给线路运行
带来安全隐患,我公司生产的预绞式安全备份线夹,可以提供完美的解决方案。
相关商品
预绞式护线条
预绞式耐张线夹
预绞丝悬垂线夹
绑线
预绞式接线金具
耐热导线金具
导航
更多
网站首页
关于我们
产品中心
新闻中心
联系我们
导航
联系我们
二维码
扫一扫
电话:
18706168011
邮箱:
947901754@qq.com
地址:
上海市松江区申徐路85号
技术支持:
建晨网站建设
|
管理登录
×
账号登录
登录
忘记密码
立即注册
更多登录方式